GB/T 26482-2011 止回閥 耐火試驗
- 發表時間:2022-12-11
- 來源:共立消防
- 人氣:
1 范圍
本標準規定了止回閥耐火試驗的耐火試驗方法、閥門性能要求、閥門評定。
本標準適用于石油管線用止回閥和井口裝置用止回閥。
2 規范性引用文件
下列文件對于本文件的應用是必不可少的。凡是注日期的引用文件,僅注日期的版本適用于本文件。凡是不注日期的引用文件,其最新版本(包括所有的修改單)適用于本文件。
GB/T 12224 鋼制閥門 一般要求(GB/T 12224-2005,ASTM B16.34a:1998,NEQ)
GB/T 19672 管線閥門 技術條件(GB/T 19672-2005,ISO 14313:1999,MOD)
SY/T 5127 井口裝置和采油樹規范
3 耐火試驗方法
3.1 安全防護
止回閥的耐火試驗是具有潛在危險的試驗,被試止回閥在火燒時閥體腔內壓力增加,有可能產生破裂。因此,在試驗場地內應設置防護人身安全的保護措施。
3.2 試驗要求
3.2.1 被試止回閥在正常的安裝位置試驗,用水做試驗介質,應在其指定流向的反向端施加試驗壓力,保持到火燒結束。
3.2.2 試驗的燃料應采用氣體燃料,火源應有足夠的能力使被試止回閥完全被火焰包裹。被試止回閥不得隔火保護。
3.2.3 火燒過程持續時間30min,火焰的溫度應在761℃~980℃之間,火焰的溫度由3.4.3所指定位置的熱電偶和測溫塊進行監測。
3.2.4 火燒時,應觀察閥門的情況。火燒結束后,同時檢測閥門的內漏量和外漏量。
3.3 試驗系統
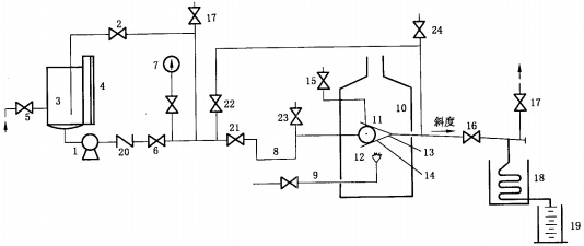
止回閥耐火試驗裝置系統按圖1所示。

說明:
1——試驗泵;
2——壓力泄放閥;
3——儲水罐;
4——液位計;
5——供水閥;
6——截止閥;
7——壓力表;
8——阻汽管;
9——燃料供給閥;
10——試驗爐;
11——被試止回閥;
12——燃氣火頭;
13——火焰熱電偶;
14——火焰測溫塊;
15——泄壓閥;
16——截止閥;
17——排氣閥;
18——冷凝器;
19——計量筒;
20——止回閥;
21——截止閥;
22——截止閥;
23——排氣閥;
24——排氣閥。
a)用泵作為壓力源的試驗系統

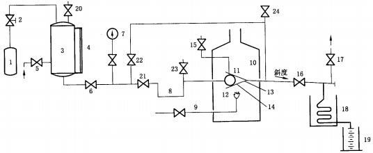
說明:
1——壓縮氣源;
2——氣體壓力調節閥;
3——儲水罐;
4——液位計;
5——供水閥;
6——截止閥;
7——壓力表;
8——阻汽管;
9——燃料供給閥;
10——試驗爐;
11——被試止回閥;
12——燃氣火頭;
13——火焰熱電偶;
14——火焰測溫塊;
15——泄壓閥;
16——截止閥;
17——排氣閥;
18——冷凝器;
19——計量筒;
20——泄壓閥;
21——截止閥;
22——截止閥;
23——排氣閥;
24——排氣閥。
b)用壓縮氣體作為壓力源的試驗系統
圖1 耐火試驗系統圖
3.4 試驗裝置
3.4.1 試驗裝置不應有外力施加在被試止回閥上。
3.4.2 試驗爐與被試止回閥在各個方向的間隔應不小于150mm。火源距被試止回閥、熱電偶和測溫塊的距離至少應為150mm。
3.4.3 公稱尺寸不大于DN150或SY/T5127標準7%7/16 "的被試止回閥,應按圖2或圖4所示布置火焰熱電偶和2個測溫塊。其他尺寸被試止回閥應按圖3或圖5所示布置火焰熱電偶和3個測溫塊。
單位為毫米

圖2 公稱尺寸不大于DN 150法蘭連接端止回閥的熱電偶和測溫塊的位置
單位為毫米

圖3 其他尺寸法蘭連接端止回閥的熱電偶和測溫塊的位置
以上為標準部分內容,如需看標準全文,請到相關授權網站購買標準正版。
-
IG541混合氣體滅火系統
IG541混合氣體滅火系統:IG-541滅火系統采用的IG-541混合氣體滅火劑是由大氣層中的氮氣(N2)、氬氣(Ar)和二氧化碳(CO2)三種氣體分別以52%、40%、8%的比例混合而成的一種滅火劑 -
二氧化碳氣體滅火系統
二氧化碳氣體滅火系統:二氧化碳氣體滅火系統由瓶架、滅火劑瓶組、泄漏檢測裝置、容器閥、金屬軟管、單向閥(滅火劑管)、集流管、安全泄漏裝置、選擇閥、信號反饋裝置、滅火劑輸送管、噴嘴、驅動氣體瓶組、電磁驅動 -
七氟丙烷滅火系統
七氟丙烷(HFC—227ea)滅火系統是一種高效能的滅火設備,其滅火劑HFC—ea是一種無色、無味、低毒性、絕緣性好、無二次污染的氣體,對大氣臭氧層的耗損潛能值(ODP)為零,是鹵代烷1211、130 -
手提式干粉滅火器
手提式干粉滅火器適滅火時,可手提或肩扛滅火器快速奔赴火場,在距燃燒處5米左右,放下滅火器。如在室外,應選擇在上風方向噴射。使用的干粉滅火器若是外掛式儲壓式的,操作者應一手緊握噴槍、另一手提起儲氣瓶上的


